Madencilik

Hassasiyet ve Doğruluğun Yeryüzü ile Buluşması

Sorumlu madencilik, ileri teknoloji ve yüksek değerli kaynak geliştirme taahhüdüyle faaliyet gösteriyoruz. Sektör uzmanlığımızı modern çıkarma yöntemleriyle birleştirerek, küresel endüstrileri destekleyen ve ekonomik büyümeyi teşvik eden tutarlı ve yüksek kaliteli çıktılar sağlıyoruz. Madencilik operasyonlarımızın her aşamasında verimlilik, güvenlik ve sürdürülebilirliğe odaklanıyoruz.
Araştırmadan üretime kadar her süreci hassasiyet ve çevresel sorumlulukla yönetiyoruz. Madenlerimiz, istikrarlı tedarik, optimize edilmiş performans ve uluslararası pazarlar için güvenilir çözümler sağlayan uzun vadeli bir vizyonla geliştiriliyor. Amacımız yalnızca kaynak çıkarmak değil, aynı zamanda ortaklarımıza, endüstrilere ve topluluklara stratejik değer sunmaktır.

Madencilik Faaliyetlerimiz
Çinko, Kurşun, Krom, Bakır ve Gümüş gibi temel minerallerin keşfi, çıkarılması ve işlenmesinde uzmanlaşıyoruz. Bu temel kaynaklar, sıkı kalite standartları ve gelişmiş operasyonel uygulamalarla üretilmektedir. Çeşitlendirilmiş bir mineral portföyü ve mükemmellik taahhüdümüzle, modern endüstriye ve küresel kalkınmaya güç veren malzemeleri sağlıyoruz.

pexels chetanvlad 2892618
60225
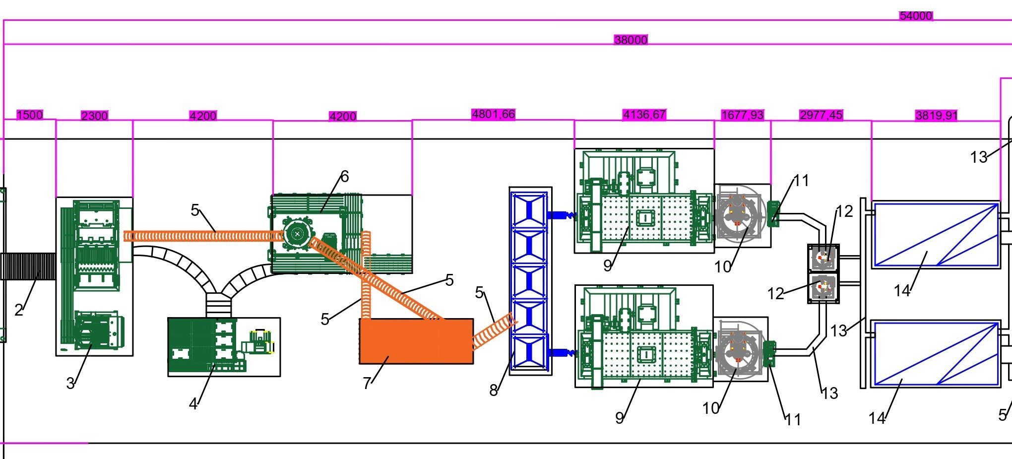
23x54 tesİs yerleŞİm page 0001 (2)
4
1
3
2

Profesyonel ekibimiz ile irtibat kurun!

+90 532 267 50 76

mining@utgrup.com.tr

Scroll to Top